Services

Home Services
Services

ผลิต-ซ่อม กระบอกลมนิวเมติก-ไฮดรอลิค

บริการรับผลิตกระบอกลมนิวเมติก-ไฮดรอลิค ตามแบบลูกค้า โดยทีมช่างผู้ชำนาญการผลิต

รับซ่อม - เปลี่ยนซีล โอริง และอะไหล่ ลูกสูบกระบอก พร้อมตรวจเช็คการสึกหรอของเสื้อสูบ-แกนกระบอก เพื่อให้อายุการใช้งานยืดยาวขึ้น

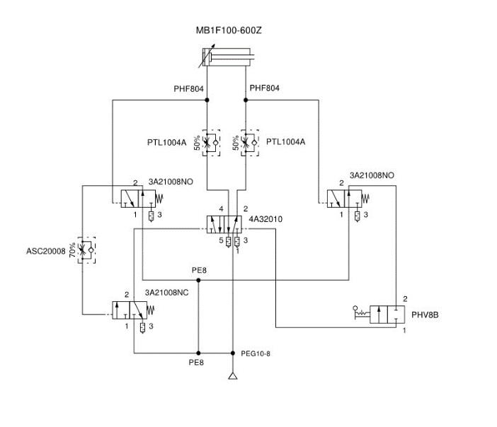
ออกแบบวงจรระบบนิวเมติก

ทางเรามีทีมงานวิศวกรบริการการออกแบบระบบนิวเมติก คำนวณความเร็ว-น้ำหนักให้กับทางลูกค้าก่อนการสั่งสินค้า เพื่อให้อุปกรณ์ที่นำไปใช้งานมีประสิทธิภาพสูงสุด

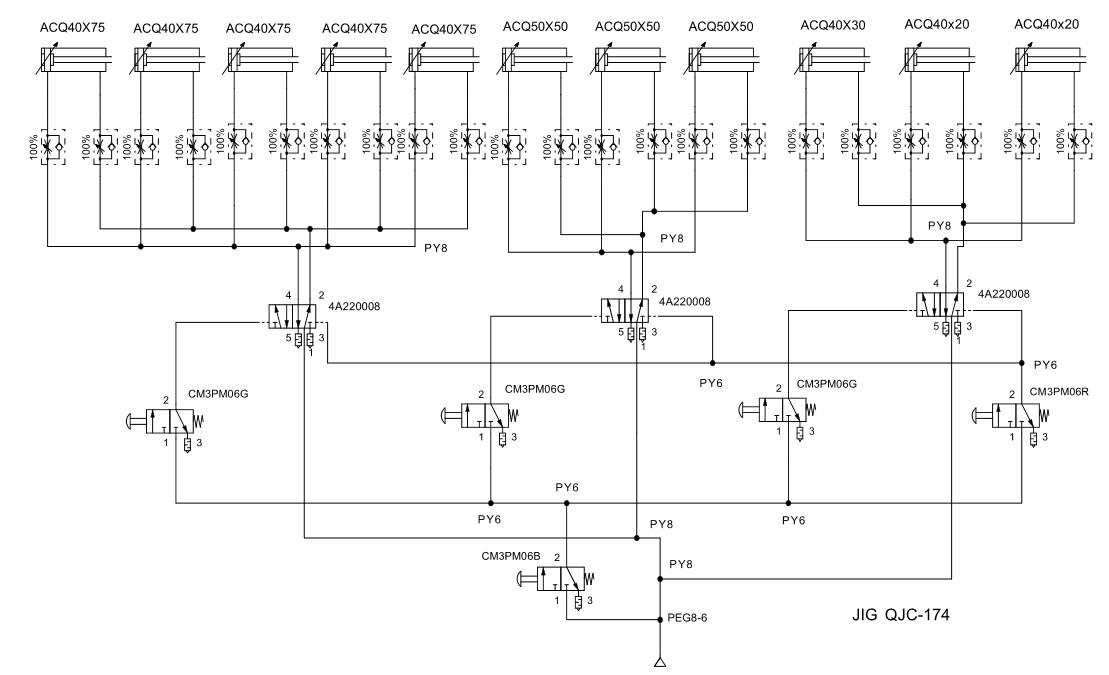
งานติดตั้งระบบ

บริการติดตั้ง-ออกแบบตู้วงจรนิวเมติก โดยทีมงานวิศวกรคุณภาพ

Contact Us

155/70 หมู่ที่ 1 ต.หนองขาม อ.ศรีราชา จ.ชลบุรี 20230

sales@hdmt.co.th

(66) 033-000-133

(66) 033-000-134

HOT LINE : (66) 093-6256228

LINE ID : @hydrosales

Follow Us

Location

© 2026 HYDROMATIC TOOLS CO., LTD. All Rights Reserved.

Powered by Thailand Directory